+7 (812) 493 33 33
Корзина

Ваша корзина пуста :(

Посмотрите Акции и Распродажа

Нужна помощь в выборе? Позвоните или Напишите нам

ИНЖЕНЕРНАЯ САНТЕХНИКА
САНТЕХНИКА
ОТОПИТЕЛЬНОЕ ОБОРУДОВАНИЕ
НАСОСНОЕ ОБОРУДОВАНИЕ
ЭЛЕКТРОТОВАРЫ
РАСПРОДАЖА
Распродажа Акции
Каталог товаров
Распродажа Акции

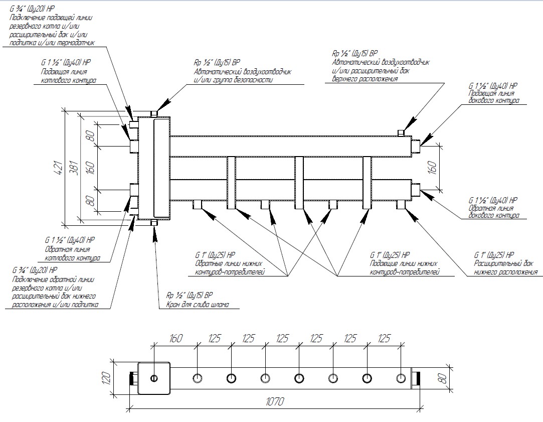
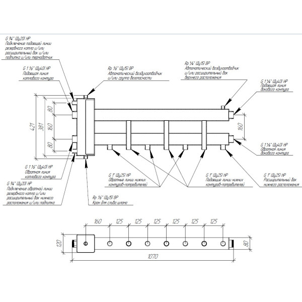
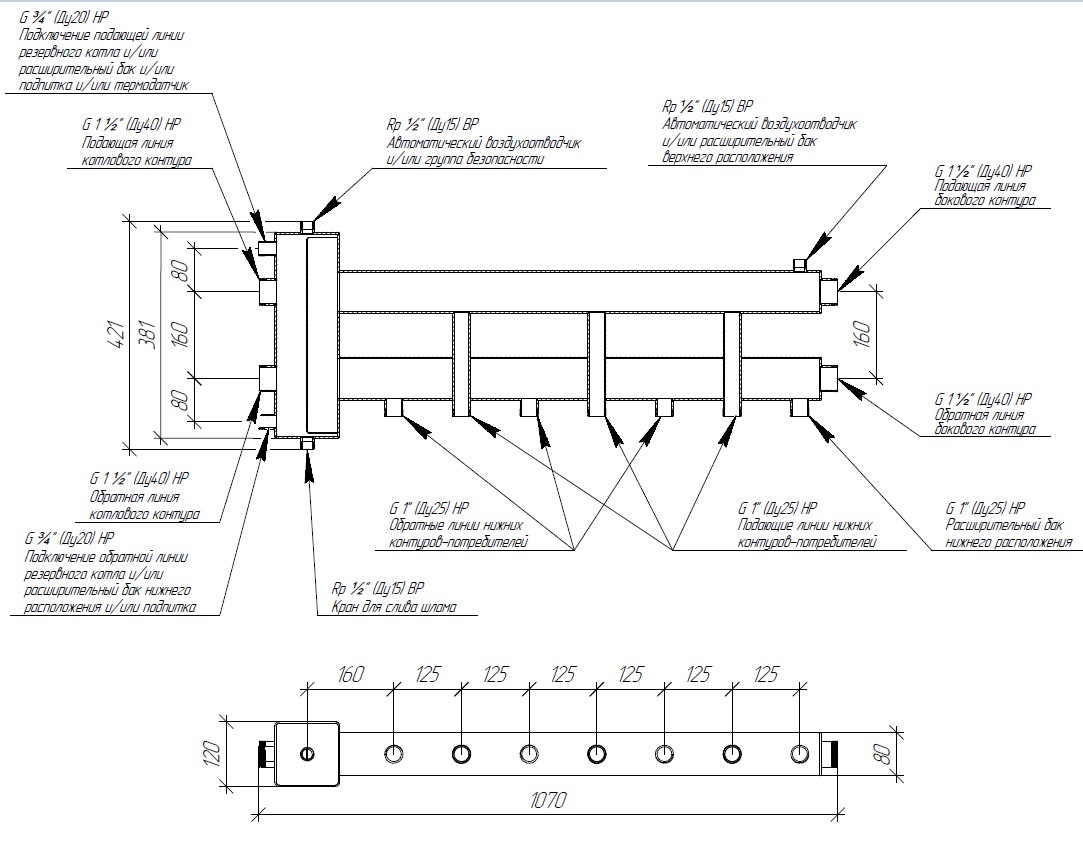
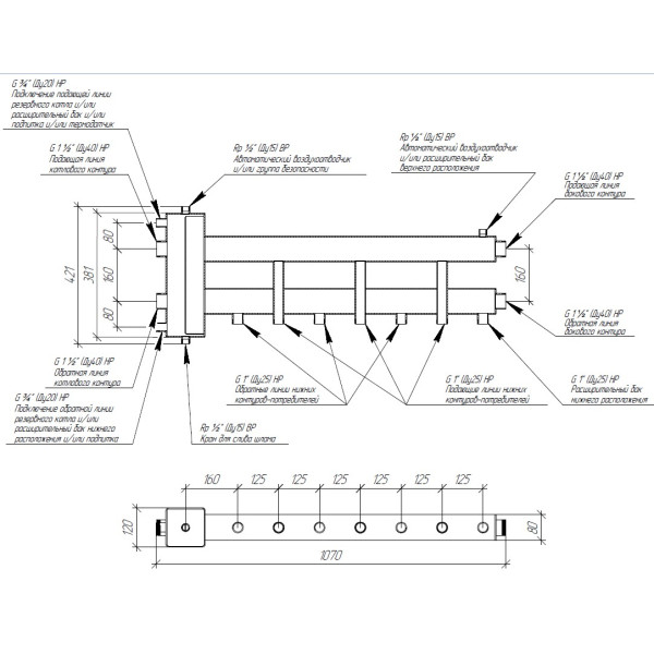
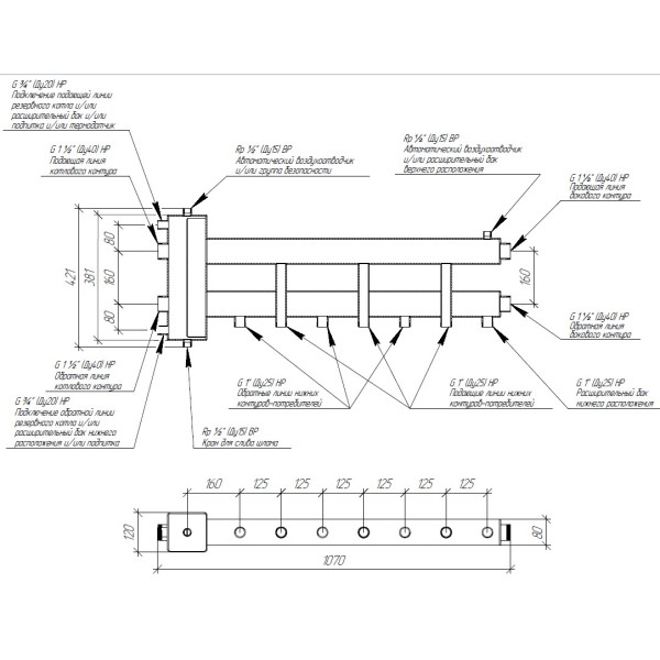
Коллектор балансировочный Gidruss BM-150-4D (до 150 кВт, подкл. котла G 1 1/2", 3 контура G 1" + боковой контур G 1 1/2", ст. 09Г2С)

Все о товаре
Описание
Характеристики
Установка
Код: 93416
Площадь обогрева (м2): 1200
Производитель: Gidruss
Страна: Россия
Артикул: BM 15010 21
Материал: Сталь конструкционная
Кол-во отводов: 3
Максимальный расход (м3/час): 6,4
Мощность (кВт): 150
Рабочее давление (бар): 8
Рабочая температура (°С): 110
Рабочая среда: Неагрессивные жидкости
Вес (кг): 31
Диаметр подключения: 1 1/2"
Код: 93416
42 800 ₽ / шт
Под заказ
Нашли дешевле? Получите скидку

Доставка в Санкт-Петербург

Самовывоз
бесплатно
Стоимость доставки
690 ₽
При заказе от 30 000 ₽
бесплатно

Также вас могут заинтересовать

Описание товара

Коллектор с гидрострелкой (балансировочный коллектор) применяется в системах отопления до 1200 м2 для соединения одного или нескольких котлов с четырьмя потребителями (в конфигурации 3+1).
Преимущества:
Встроенный нержавеющий сепаратор в виде поперечной полноразмерной перфорированной пластины засчет завихрения потока самого воздухо-насыщенного теплоносителя из подающей линии котла, обеспечит эффективное всплытие пузырьков воздуха с последующим их отведением через верхний штуцер гидрострелки и подключенного к нему автоматического воздухоотводчика.
За счет завихрения самого загрязненного шламом потока теплоносителя из обратной линии системы осаждает механические примеси в отстойнике гидрострелки с последующем их выведением через подключенный дренажный кран.
Так же сепаратор препятствует пробиванию котловым насосом бокового контура реактивной струей, что часто вызывает паразитный поток отключенного автоматикой бокового контура.
Конструкционная сталь 09Г2С более коррозионно-стойкая чем ст20 и ст3 и прослужит не одно десятилетие.
Кронштейны с регулировкой 4 параметров в комплекте позволяют отрегулировать вылет трубной обвязки таким образом, чтобы он оказалось в одной плоскости, что существенно снижает кол-во соединений, экономит фитинги и трубы, а так же работу мастера.
Боковые доп. подключения для резервного котла 3/4 снижают кол-во соединений, повышая надежность.

42 800 ₽ / шт
Под заказ
Нашли дешевле? Получите скидку

Характеристики

Площадь обогрева (м2): 1200
Производитель: Gidruss
Страна: Россия
Артикул: BM 15010 21
Материал: Сталь конструкционная
Кол-во отводов: 3
Максимальный расход (м3/час): 6,4
Мощность (кВт): 150
Рабочее давление (бар): 8
Рабочая температура (°С): 110
Рабочая среда: Неагрессивные жидкости
Вес (кг): 31
Диаметр подключения: 1 1/2"
Код: 93416
42 800 ₽ / шт
Под заказ
Нашли дешевле? Получите скидку
Варианты и размеры
Товар Размер Наличие Цена Добавить в Количество
Под заказ
42800 ₽
5
Установка товара


Узнать стоимость и обсудить детали установки можно путем обращения в сервисную компанию-партнера компании «Сан-Саныч» по сервисному обслуживанию: Сантехническая сервисная компания "SAN-PROFI".

Компания выполняет полный спектр сантехнических услуг: сантехнические работы любого уровня сложности, монтаж котельного оборудования, теплых полов, установка душевых кабин, подключение бытовой техники. Сервисная служба проводит обслуживание канализационных, водопроводных и отопительных систем.

Специалисты компании "SAN-PROFI", прошедшие строгий квалификационный отбор и имеющие 15-летний опыт выполнения сантехнических работ, обладают высокой квалификацией.

Компания "SAN-PROFI" предоставляет расширенную сервисную гарантию на работы, произведенные с использованием материалов, приобретенных в сети магазинов Сан Саныч.  

Сервисная компания имеет все необходимые лицензии и сертификаты для производства сантехнических работ.

При проведении сантехнических работ клиенту предоставляется бесплатная консультация (оплата осуществляется только за фактическое выполнение заказов). 

Компания принимает заказы по телефонам: +7 (993) 487-30-96 или по электронной почте: san-profispb@yandex.ru

Адрес, режим работы: Лиговский проспект, д.138; ежедневно с 9:00 до 24:00 (без выходных).

42 800 ₽ / шт
Под заказ
Нашли дешевле? Получите скидку